
SWL蜗轮丝杆升降机(QWL螺旋升降机),是一种基础起重机械,产品生产标准为JB/T8809-1998。
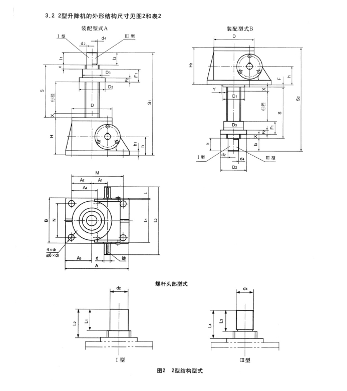
SWL蜗轮丝杆升降机(QWL螺旋升降机)是有铸钢壳体、蜗轮、蜗杆(调质淬火)、丝杆、轴承、压盖等组成。根据升降机的运动方式分为: 1型丝杆做上下垂直运动;2型螺母做上下垂直运动。根据安装方式有分为:A型丝杆或螺母朝上做升降运动;B型丝杆或螺母朝下做升降运动。根据升降速度又分为:快速P和慢速M。丝杆的头部形式分为:1圆柱、2法兰、3螺纹、4扁头。
SWL蜗轮丝杆升降机(QWL螺旋升降机)承载力一般是2.5T-120T。我公司可以根据客户需求设计生产更大吨位升降机。






13131765652
全国服务热线