SL锥齿轮升降机是一种基础的起重部件,承载能力可在2.5T-50T。和蜗轮丝杆升降机相比主要不同有:升降效率高、使用寿命长、容易调整减速比。同时具有结构紧凑、体积小、重量轻、无噪音、安装方便、动力源广泛、功能多、使用灵活、可靠性高等诸多优点。具有提升、推进、降落、翻转等多种使用功能、能按一定程序准确地控制提升或推进的长度,多台联动的情况下可省去锥齿轮转向机构直接进行连接。可以用电动机或其他动力直接带动。也可以手动。最高输入转速500r/min,最高提升速度2.7m/min。有不同的结构型式方式,提升高度可按用户的要求定制,该装置一般情况下可实现自锁。
1、结构型式:
升降机结构型式:
1型——丝杆作轴向运动。
2型——丝杆作旋转运动,丝杆上的螺母作轴向运动
2、装配型式:
升降机每种结构形式又分为两种装配型式
A型——丝杆(或螺母)向上移动
B型——丝杆(或螺母)向下移动
3、丝杆头部型式:
1型结构型式的丝杆头部分为:I(圆柱型)Ⅱ(法兰型)Ⅲ(螺纹型)Ⅳ(扁头型)四种型式
2型结构型式的丝杆头部分为:I(圆柱型)和Ⅲ(螺纹型)两种型式
4、规格:
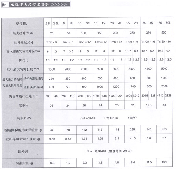
按提升力分为:2.5、5、15、20、35、50×10KN八种
5、传动比:
升降机按提升速度分为两种:普通和慢速,慢速用l表示,普通不标。
6、丝杆的防护:
I型升除机丝杆的防护分为:基本型、防旋转型(F)和带防护罩型(z)
2型升降机丝杆的防护分为:基本型和带防护罩型(z)
7、表示方法:






13131765652
全国服务热线