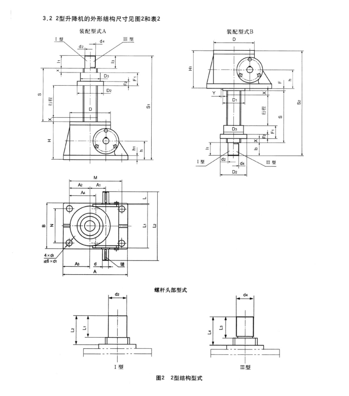
SWL升降机(SWL蜗轮升降机)是丝杆升降机的一种产品。有圆弧齿蜗轮蜗杆带动丝杆或螺母做直线运动。主要应用于冶金、水利、焊接、舞台、重工、制造机械等行业。根据不同的运动方式分为:1型丝杆运动;2型螺母运动。按照安装方式分为:A型丝杆或螺母朝上;B型丝杆或螺母朝下。速度分为快速和慢速两种。丝杆的头部安装形式分4种,也可以按照客户需求专门定制。
SWL升降机(SWL蜗轮升降机)输入转数不能超过1500r/min;动力可以用电机或者其它机械动力直接带动;也可以用手动。丝杆和螺母的速度不能超过2.7m/min。升降机的承载力有SWL2.5、SWL5、SWL10、SWL15、SWL20、SWL25、SWL35、SWL50、SWL100和SWL120。并可以根据客户的不同需求设计生产更大承载力的升降机。
SWL升降机(SWL蜗轮升降机)可单台使用,也可以多台联动使用。多台安装方式有:直线型、T型、U型、H型和2H型多种安装方式。







13131765652
全国服务热线